鏈條導軌
15年精研

高品質鏈條導軌-張緊器-工程塑料零件

13829245283
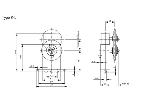
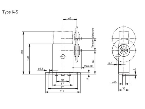
  • 鏈條張緊器 SPANN-BOX SIZE 1系列
  • 鏈條張緊器 SPANN-BOX SIZE 1系列
  • 鏈條張緊器 SPANN-BOX SIZE 1系列
  • 鏈條張緊器 SPANN-BOX SIZE 1系列
  • 0
  • 1
  • 鏈條張緊器 SPANN-BOY SIZE 1 32.jpg
  • 鏈條張緊器 SPANN-BOY SIZE 1 34.jpg

鏈條張緊器 SPANN-BOX SIZE 1系列

產品規格參數




產品應用