鏈條導軌
15年精研

高品質鏈條導軌-張緊器-工程塑料零件

13829245283
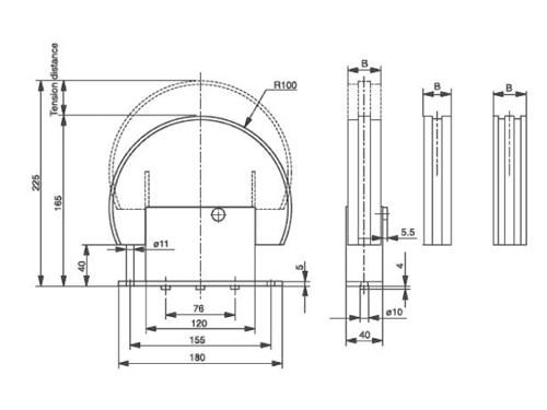
  • 鏈條張緊器 SPANN-BOX SIZE 2系列
  • 鏈條張緊器 SPANN-BOX SIZE 2系列
  • 0
  • 鏈條張緊器 SPANN-BOY SIZE 2 12.jpg

鏈條張緊器 SPANN-BOX SIZE 2系列

產品規格參數

產品應用